fbpx Амортизатор, упор кришки багажника MAN EL, Lion‘s, NG, NL, NM, SG, SL, SR, S? | Газовые упорные пружины Перейти к основному содержанию

Амортизатор, упор кришки багажника MAN EL, Lion‘s, NG, NL, NM, SG, SL, SR, S?

Модель автомобиля

Год выпуска

Амортизатор, упор кришки багажника MAN EL, Lion‘s, NG, NL, NM, SG, SL, SR, S? - Автобус / крышка задняя - Слева / Справа - Универсальный

Код продукта:
24318

334 UAH

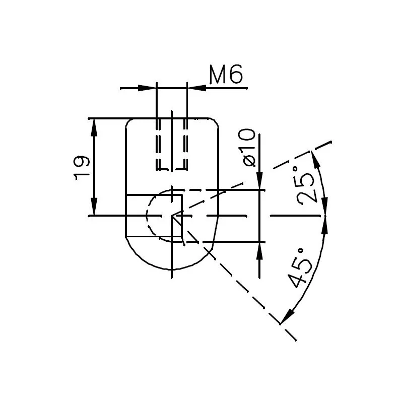
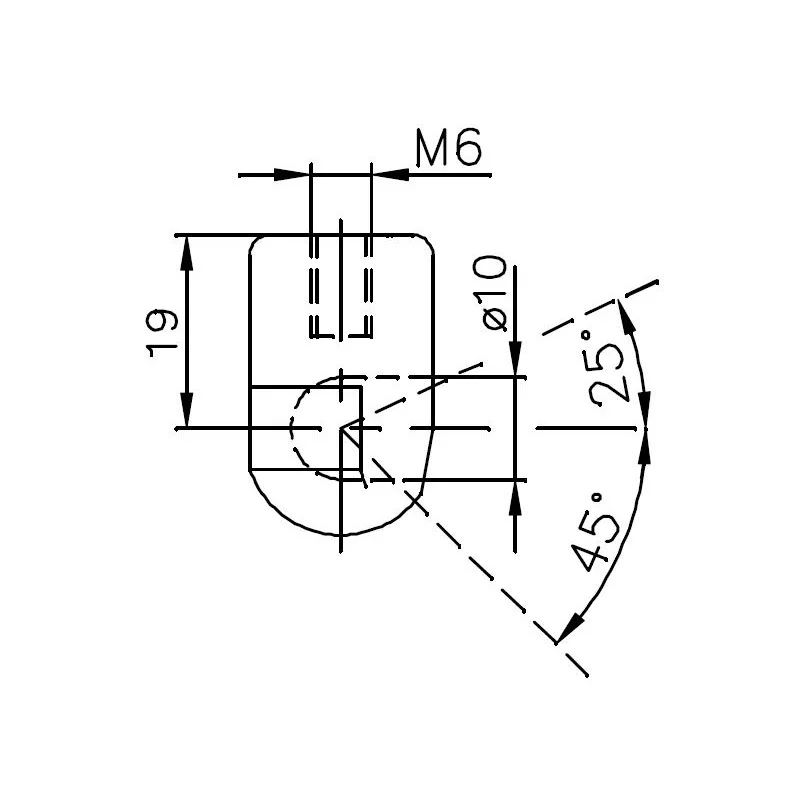
Производитель Каталожный номер Общая длина, мм Длина штока, мм Усилие Наконечник со стороны штока поршня Наконечник на стороне цилиндра Диаметр поршневого штока Диаметр цилиндра ОЕ номер
FA Krosno
24318
425.5
170
200
7b
7b
8
19
81.74821.0041
048372