fbpx Газовая пружина (FA Krosno 23410) AUDI 100 (4A/C4) | Газовые упорные пружины Перейти к основному содержанию

Газовая пружина (FA Krosno 23410) AUDI 100 (4A/C4)

Модель автомобиля

Год выпуска

Газовая пружина (FA Krosno 23410) AUDI 100 (4A/C4) - Седан / Универсал / Капот - Слева / Справа - 12/90-07/94

Код продукта:
23410

474 UAH

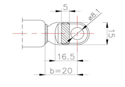
Производитель Каталожный номер Общая длина, мм Длина штока, мм Усилие Наконечник со стороны штока поршня Наконечник на стороне цилиндра Диаметр поршневого штока Диаметр цилиндра ОЕ номер
FA Krosno
23410
885
380
410
7b
4a
10
22
4A0823359B
80 042 07